9급 국가직 공무원 토목설계 (2024년03월23일 기출문제)
1과목 : 과목 구분 없음
1번
철근콘크리트보를 인장지배단면으로 설계했을 때 보의 파괴 형태로 옳은 것은?
2번
양단이 힌지로 지지된 정사각형 단면 기둥의 좌굴 임계하중이 20kN일 때, 일단 고정 타단 자유인 동일한 단면을 가진 기둥의 좌굴 임계하중[kN]은? (단, 두 기둥의 길이는 같고, 동일한 재료로 균질하게 제작되었으며, 탄성거동한다)
3번
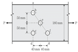
그림과 같은 강구조 인장부재 볼트 연결부의 예상 파단선이 a-b-e-f-g일 때 순폭[mm]은? (단, 볼트구멍의 직경은 22mm이다)

4번
철근콘크리트 압축부재의 설계에서 사각형이나 원형 띠철근으로 둘러싸인 압축부재의 축방향 주철근의 최소 배치 개수는?
5번
철근콘크리트보의 휨설계에 대한 설명으로 옳지 않은 것은?
6번
동일한 크기의 두 단부 모멘트가 단일 곡률을 일으키는 횡구속된 압축부재의 모멘트확대계수는? (단, 압축부재의 좌굴하중 Pc는 20,000kN이고, 계수축하중 Pu는 3,000kN이다)
7번
그림과 같이 중심축하중이 작용하는 확대기초의 1방향 전단에 대한 위험 단면에서의 전단력의 크기[kN]는? (단, 중심축하중의 크기 Pu는 2,700kN이고, 기초판의 유효높이 d는 500mm이다)

8번
고장력볼트 마찰연결에서 공칭마찰강도 계산에 고려하지 않는 것은?
9번
콘크리트의 크리프와 건조수축에 대한 설명으로 옳지 않은 것은?
10번
그림과 같은 프리스트레스트 콘크리트 단순보의 지간 중앙에서 프리스트레스 힘 P에 의한 솟음의 크기가
일 때, C1은? (단, 보의 휨강성 EI는 일정하다)
일 때, C1은? (단, 보의 휨강성 EI는 일정하다)
11번
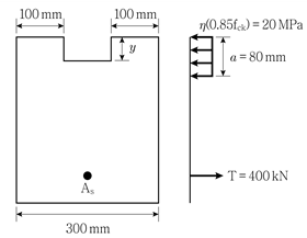
그림과 같이 철근콘크리트보 단면의 등가직사각형 응력블록과 철근 인장력의 크기가 주어졌을 때, 깊이 y[mm]는?

12번
프리스트레스트 콘크리트 휨부재는 미리 압축을 가한 인장구역에서 사용하중에 의한 인장연단응력 ft에 따라 비균열등급, 부분균열등급, 완전균열등급으로 구분된다. 부분균열등급에 해당하는 인장연단응력 범위[MPa]는? (단, fck[MPa]는 콘크리트 설계기준압축강도이다)
13번
프리스트레스트 콘크리트 교량 구조물에 대한 설명으로 옳지 않은 것은? (단, KDS 24 14 20:2018에 따른다)
14번
그림과 같은 삼각형 철근콘크리트 단면의 철근량 As[mm2]는? (단, 압축부 콘크리트의 응력분포는 등가직사각형 응력분포로 고려하며, 인장철근은 항복하였고, a는 등가직사각형 응력블록의 깊이, 콘크리트의 설계기준압축강도 fck는 20MPa, 철근의 항복강도 fy는 400MPa이다)

15번
그림과 같이 치수가 주어진 슬래브와 보를 일체로 친 T형보의 플랜지 유효폭 b[mm]는? (단, 보의 경간은 12m이다)

16번
계수전단력 Vu가 작용하는 직사각형 단면의 철근콘크리트 휨부재에서 공칭전단강도 Vn의 최솟값[kN]은? (단, 계수전단력 Vu는 75kN이다)
17번
콘크리트용 앵커 설계기준에서 연성강재요소의 강도에 의해 지배되는 앵커의 인장력 설계 시 고려되는 강도감소계수 ø는?
18번
콘크리트구조의 해석과 설계에 사용하는 탄성계수에 대한 설명으로 옳지 않은 것은? (단, fcm[MPa]은 콘크리트의 평균압축강도이다)
19번
콘크리트구조 정착 및 이음 설계기준에서 제시하는 철근의 이음에 대한 설명으로 옳지 않은 것은?
20번
옹벽의 구조상세에 대한 설명으로 옳지 않은 것은? (단, KDS 11 80 05:2020에 따른다)